
MILPRF19500/521E
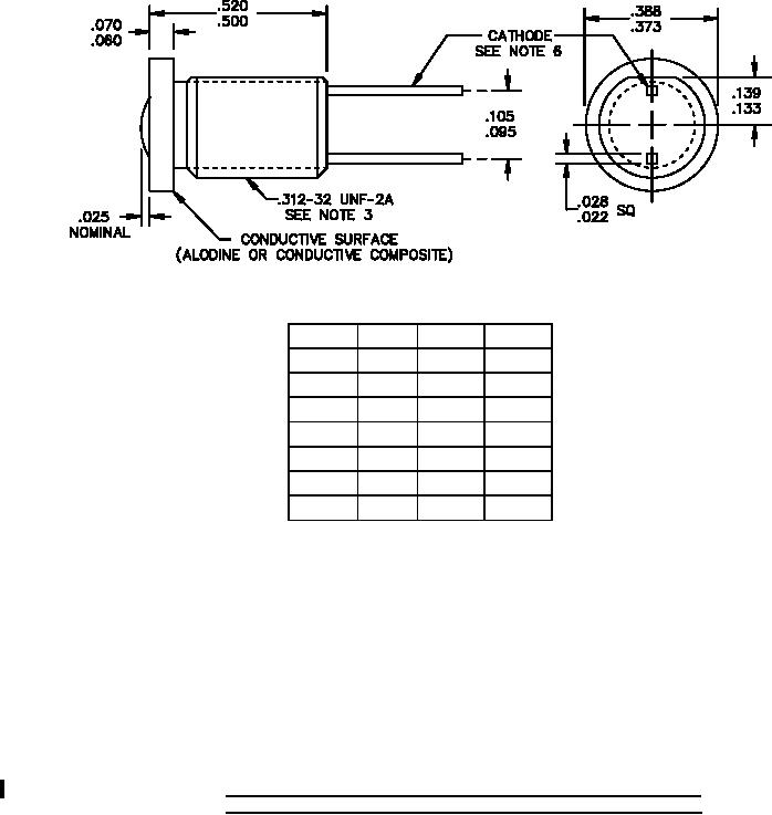
Inches
mm
Inches
mm
.022
0.56
.133
3.38
.025
0.64
.139
3.53
.028
0.71
.373
9.47
.060
1.52
.388
9.86
.070
1.78
.500
12.70
.095
2.41
.520
13.21
.105
2.67
.583
14.81
NOTES:
1. Dimensions are in inches. Millimeters are given for general information only.
2. The panel mount sleeve is either black conductive composite with a tensile strength of 35,000 psi and
surface resistivity of 100 ohms per square, black anodized aluminum, or black finished zinc.
3. Mounting hardware, which includes one lock washer and one hex nut, is included with each panel
mountable hermetic solid state lamp.
4. Use of metric drill size 8.20 millimeters or letter gauge drill size P (.323 inch, 8.20 mm) is recommended for
producing hole in the panel for panel mounting.
5. Both leads are isolated from the panel mount by nonconductive potting. Lead length is .500 inch
(12.70 mm) minimum, .583 inch (14.81 mm) maximum.
6. Conductive surface may extend to threaded area.
7. In accordance with ASME Y14.5M, diameters are equivalent to Φx symbology.
FIGURE 2.
Physical dimensions for types JANM19500/52101, JANTX19500/52102,
JANM19500/52103, and JANTXM19500/52104 panel mount assemblies.
4
For Parts Inquires call Parts Hangar, Inc (727) 493-0744
© Copyright 2015 Integrated Publishing, Inc.
A Service Disabled Veteran Owned Small Business