
MILDTL28803/4D
NOTES:
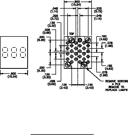
1. Dimensions are in inches. Millimeter equivalents are given for general information only.
2. Unless otherwise specified, tolerances are ±.02 inch (0.51 mm) for two place decimals and
±.010 inch (0.25 mm) for three place decimals.
3. Design configuration optional within envelope as shown.
4. For segment dimensions, see figure 4.
FIGURE 1. Type R04 display module sub-assembly Continued.
2
For Parts Inquires call Parts Hangar, Inc (727) 493-0744
© Copyright 2015 Integrated Publishing, Inc.
A Service Disabled Veteran Owned Small Business