
MILDTL28803/3D
NOTES:
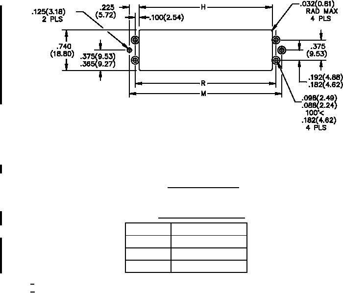
1.
Dimensions are in inches. Millimeter equivalents are given for general information only.
2.
Unless otherwise specified, tolerances are ±.010 inch (0.25 mm) for three place decimals.
3.
Design configuration optional within envelope as shown.
The values for dimensions H, M, and R are listed in table V.
4.
FIGURE 4. Panel cut-out dimension.
TABLE V. Panel width cutout dimension.
Dimension
Calculation
H
L + .100 (5.24)
R
L + .300 (7.62)
M
L + .550 (13.97)
1/
Dimensions are in inches. Millimeter equivalents are given for general information only.
2/
Unless otherwise specified, tolerances are ±.010 inch (0.25 mm) for three place decimals.
5
For Parts Inquires call Parts Hangar, Inc (727) 493-0744
© Copyright 2015 Integrated Publishing, Inc.
A Service Disabled Veteran Owned Small Business