
MILPRF19500/519E
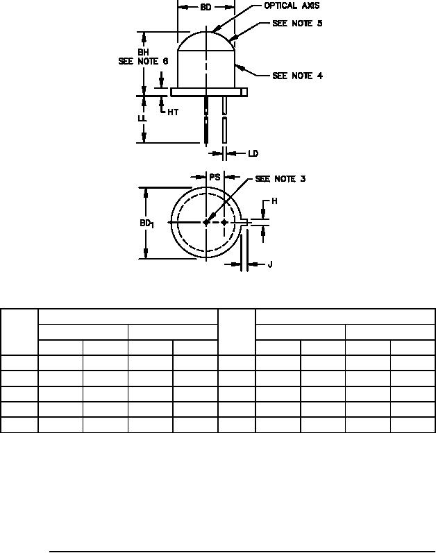
Dimensions
Dimensions
LTR
LTR
Inches
Millimeters
Inches
Millimeters
Min
Max
Min
Max
Min
Max
Min
Max
BD
.176
.190
4.47
4.83
J
.032
.042
0.81
1.07
.200
.220
5.08
5.59
LD
.016
.019
0.41
0.48
BD1
BH
.180
.225
4.57
5.72
LL
.970
1.030
24.64
26.16
H
.035
.045
0.89
1.14
PS
.045
.055
1.14
1.40
HT
.013
.024
0.33
0.61
NOTES:
1.
Dimensions are in inches. Millimeters are given for general information only.
2.
Cathode lead; both leads isolated from case.
3.
Glass/metal hermetic can.
4.
Colored lens or clear glass lens (see 6.2).
5.
For sunlight viewable LEDs, dimension BH is .213 inch (5.41 mm) minimum and .260 inch (6.60 mm)
maximum (see 6.2).
In accordance with ASME Y14.5M, diameters are equivalent to Φx symbology.
6.
FIGURE 1. Physical dimensions for types JAN1N6092, JANTX1N6092, JAN1N6609, and JANTX1N6609.
3
For Parts Inquires call Parts Hangar, Inc (727) 493-0744
© Copyright 2015 Integrated Publishing, Inc.
A Service Disabled Veteran Owned Small Business