
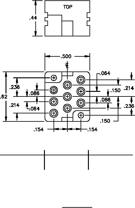
MILDTL28803/2B
Inches
mm
Inches
mm
Inches
mm
.064
1.63
.154
3.91
.44
11.2
.086
2.18
.214
5.44
.500
12.70
.150
3.81
.236
5.99
.62
15.7
NOTES:
1. Dimensions are in inches. Millimeter equivalents are given for general information only.
2. Unless otherwise specified, tolerances are ±.02 inch (0.51 mm) for two place decimals and
±.010 inch (0.25 mm) for three place decimals.
3. Design configuration optional within envelope as shown.
FIGURE 3. Connector block.
3
For Parts Inquires call Parts Hangar, Inc (727) 493-0744
© Copyright 2015 Integrated Publishing, Inc.
A Service Disabled Veteran Owned Small Business