
MILDTL28803/1E
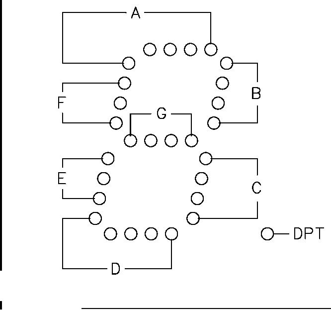
FIGURE 5. Truth table letter assignments for seven segment numeric display with decimal point.
5
For Parts Inquires call Parts Hangar, Inc (727) 493-0744
© Copyright 2015 Integrated Publishing, Inc.
A Service Disabled Veteran Owned Small Business